湖北荆州自来水供水泵站远程控制案例
- 2018-06-08 10:48:00
- jucheng 原创
- 3246
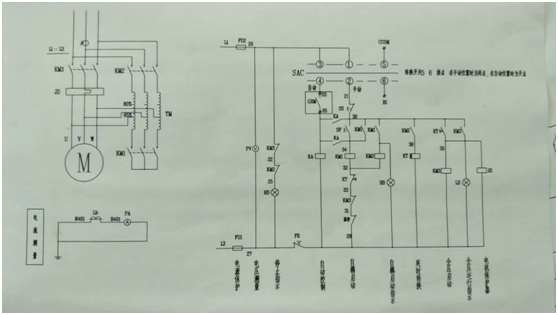
湖北荆州沙洋县拾桥镇自来水供水泵站远程控制改造,供水泵站原有水泵控制为星三角启动,采用人工手动开启。泵站距离水厂路程20KM左右。现利用 巨控的GPRS无线终端改为液位—水泵联动自动控制方式。启动方式依旧为星三角启动,但是星三角改为手动/远程切换,利用巨控模块的无线数据交换功能,在自动控制时,水泵控制端的GPRS控制终端通过无线接收水池端的液位信号,液位低的时候,自动启泵,液位高的时候停泵。也可以远程强制启泵和关泵。系统设置远程停机检修开关,停机检修时锁定远程关闭。
控制系统将水位信号传送到水源控制水泵自动启停。当水泵抽水时,同时自动启动水池端加药系统。系统有两台 30KW 水泵,正常时一主一备,主备泵 120 小时自动切换一次,当水位低时,系统打开主泵,同时加药,水位高时停泵,同时停止加药。当抽水速度不够是,可以远程启动备泵,实现两台泵同时供水。当泵开启、关闭和有故障时,短信通知值班人员。值班人员也可以通过免费的手机 APP 软件,实时监控系统的运行状态。
接线图纸和远程监控界面见下图
| 联系人: | 广州市巨诚信息科技有限公司 |
|---|---|
| 电话: | 13660628791 |
| 传真: | 020-32030178 |
| Email: | 2068307505@qq.com |
| 微信: | 13660628791 巨控钟工 |
| 网址: | www.yunjucheng.com |
| 地址: | 广州市白云区金沙街礼传西街1号东承大厦503房 |
【关注公众号】 【销售/技术支持】















